VictorJAM.zapto.org
Retrocomputación 

2021-04-11

Esquemas ATARI 2600

La Atari 2600 fue mi primera consola y mi primera incursión en el mundo de la informática. Técnicamente no era una maravilla, pero servía para su función: entretener.

CPU

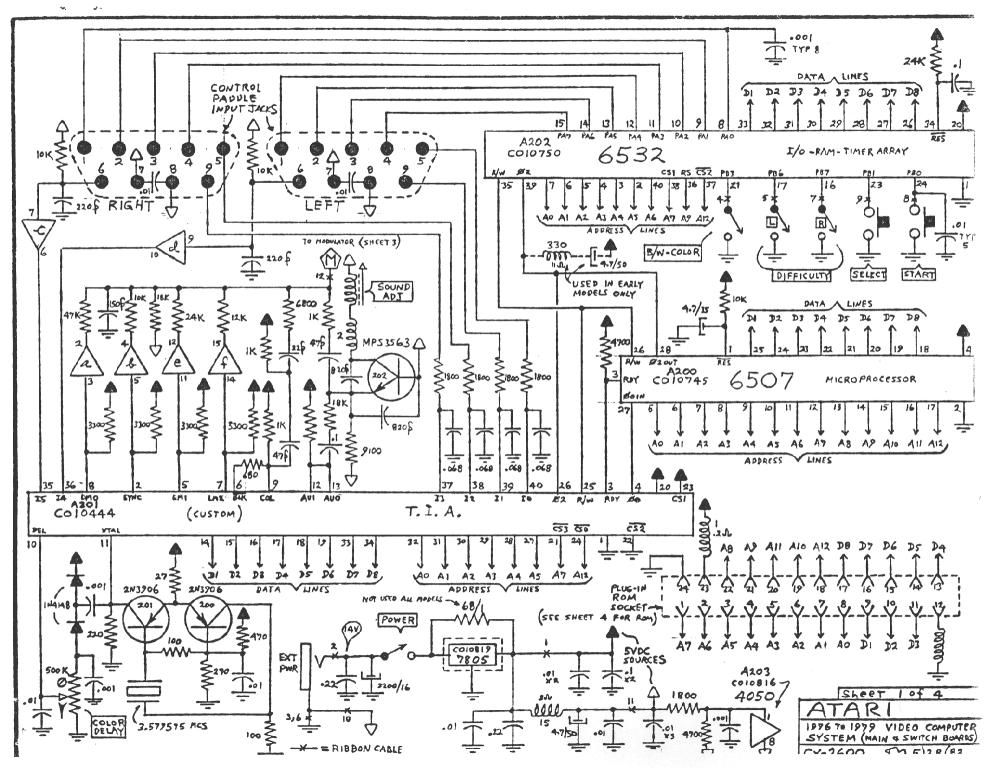
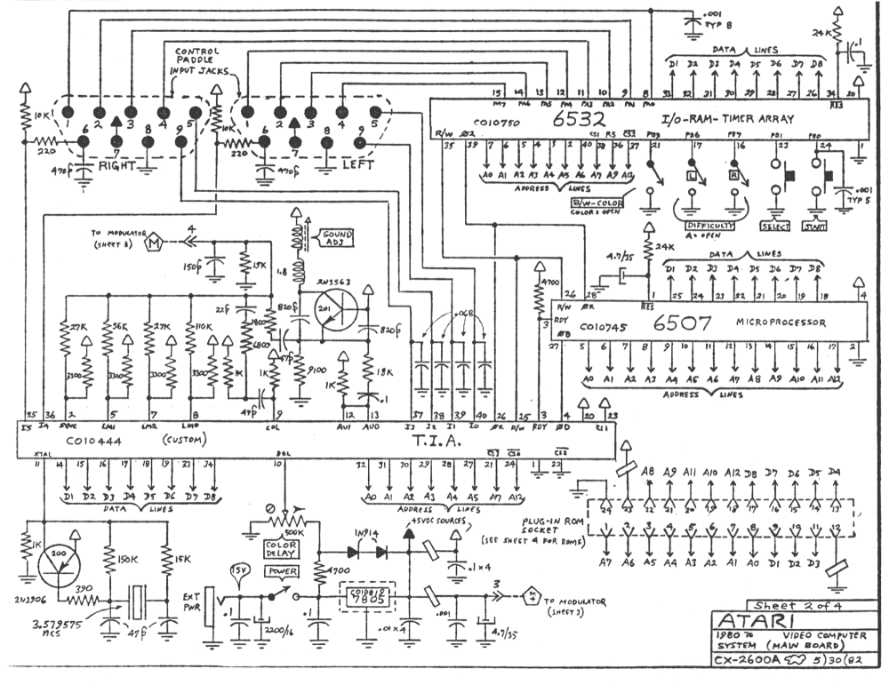
La atari 2600 se basa en un procesador 6507, hermano pequeño del 6502 usado en el Apple 2, siendo ambos de 8 bits. La principal diferencia entre ambos es que el 6507 fue pensado para sistemas pequeños, prescindiendo de algunas cosas, como el tamaño del bus de direcciones que en el 6507 solo permite direccionar 8KB de memoria; tampoco tiene señales de interrupción.

PAL vs NTCS

El NTSC y el PAL son dos de los estándares de televisión más populares del siglo XX y aunque han sido desplazados por el DVB no hay que olvidar que las máquinas retro funcionaban con estos.

La principal diferencia entre ambos estándares es la frecuencia de funcionamiento. Para NTSC la frecuencia es 29.97 imágenes por segundo, mientras que para PAL es de 25 fps.

El uso de esas frecuencias se debe a la frecuencia de la red eléctrica. En Europa se utiliza una frecuencia de 50Hz y el estándar PAL (25 es la mitad de la frecuencia de red). De igual manera en Estados Unidos se usa NTCS que tiene una frecuencia de red de 60Hz.

Vale, pero 29.27 no es la mitad de 60. Cierto. Pero hubo un problema cuando empezaron a usarse televisores en color. Al principio, cuando la televisión era todavía en blanco y negro NTCS utilizaba una frecuencia de 30 fps. Al aparecer los televisores en color, se vio que esa frecuencia causaba problemas y los colores no aparecían como debían.

Entonces se recurrió a reducir la frecuencia de la señal, para que en el espectro restante hubiera información para la sincronización del color.

Otra diferencia importante es la resolución de pantalla. NTCS utiliza 525 líneas pero solo se utilizan 480. PAL usa 625 líneas, de las que 576 son visibles. Ambos utilizan un formato entrelazado.

Cuando en un fotograma se muestran todas la líneas se dice que su formato es progresivo y se expresa con una "p". Si embargo, un formato entrelazado solo muestra la mitad de las líneas de una imagen, así que se necesitan dos fotogramas para mostrar la imagen completa (se expresa con una "i"). El problema del entrelazado es que en imágenes estáticas no se nota, pero en imágenes con mucha velocidad se aprecian unas líneas horizontales muy características.

Hay que tener en cuenta que las consolas de videojuegos podían usarse en distintos países, por lo que la salida RF debía acomodarse a la señal de la televisión. Por eso están los esquemas duplicados.

Esquemas ATARI versión PAL

Atari 2600 placa base

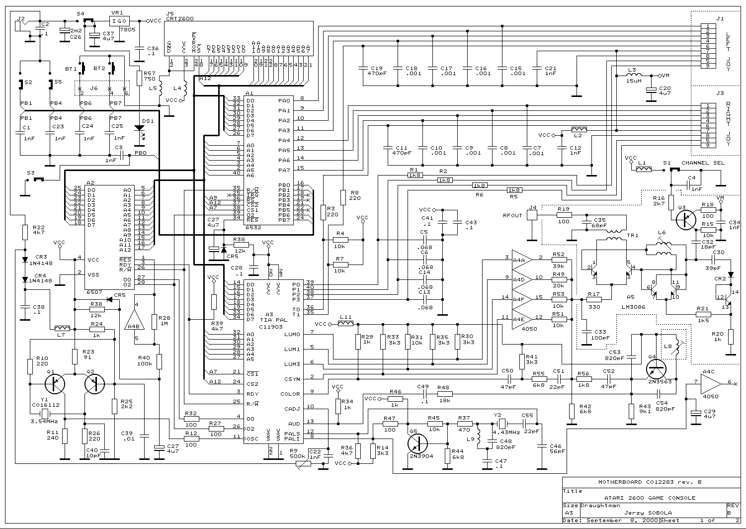
Atari 2600Jr placa base

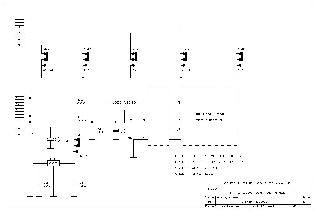
Panel de control

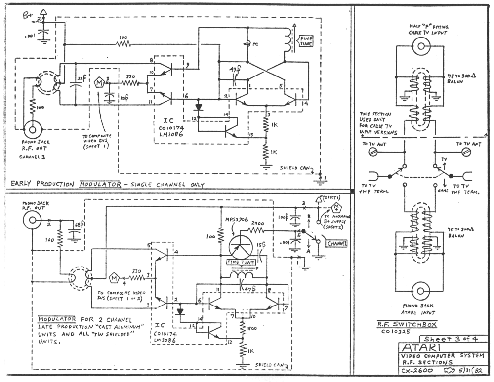
Modulador RF

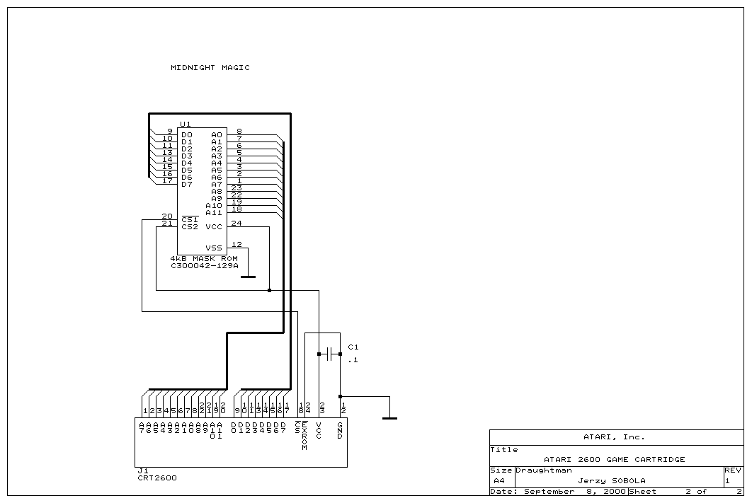
Cartucho

Esquemas ATARI versión NTSC

Esquema Atari CX2600

Esquema Atari CX2600A

Modulador RF

Accesorios

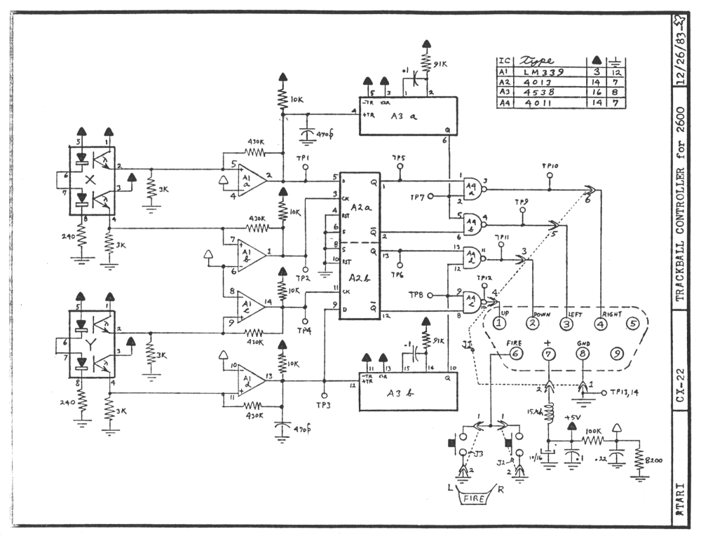
Trackball

Referencias

Diferencias entre NTCS y PAL.

Fuente original de los esquemas.

Libro MCS6500 family hardware manual.

Datasheet 6502/07/12